Honda Generator Eu2000I Parts Diagram . Web find the parts you need for your honda eu2000i generator, such as muffler, pipe, gasket, arrester kit, and bolts. Web find oem diagrams and repair parts for honda eu2000i generators made in japan. Web download and read the official manual for your honda eu2000i generator. Learn how to operate, maintain, and service your generator safely and effectively. Web find genuine honda parts for your eu 2000i generator model online. Choose from a variety of parts for eu2000i a, ac, an, k1 and more. Web page 2 contents this manual covers service and repair procedures for the specifications honda eu2000i generators. Shop oem replacement parts by symptoms or model diagrams for your honda eu2000i generator, jpn, vin# eaaj. Filter results by serial number, model name, or. Browse by symptom, area, or part number and order online.
from datavisualexpert.com
Web download and read the official manual for your honda eu2000i generator. Learn how to operate, maintain, and service your generator safely and effectively. Filter results by serial number, model name, or. Choose from a variety of parts for eu2000i a, ac, an, k1 and more. Browse by symptom, area, or part number and order online. Web find oem diagrams and repair parts for honda eu2000i generators made in japan. Shop oem replacement parts by symptoms or model diagrams for your honda eu2000i generator, jpn, vin# eaaj. Web find genuine honda parts for your eu 2000i generator model online. Web find the parts you need for your honda eu2000i generator, such as muffler, pipe, gasket, arrester kit, and bolts. Web page 2 contents this manual covers service and repair procedures for the specifications honda eu2000i generators.
Exploring the Inner Workings of the Honda EU2000i Generator A Parts
Honda Generator Eu2000I Parts Diagram Web find genuine honda parts for your eu 2000i generator model online. Choose from a variety of parts for eu2000i a, ac, an, k1 and more. Learn how to operate, maintain, and service your generator safely and effectively. Web find the parts you need for your honda eu2000i generator, such as muffler, pipe, gasket, arrester kit, and bolts. Web page 2 contents this manual covers service and repair procedures for the specifications honda eu2000i generators. Web download and read the official manual for your honda eu2000i generator. Web find genuine honda parts for your eu 2000i generator model online. Filter results by serial number, model name, or. Browse by symptom, area, or part number and order online. Shop oem replacement parts by symptoms or model diagrams for your honda eu2000i generator, jpn, vin# eaaj. Web find oem diagrams and repair parts for honda eu2000i generators made in japan.
From enginealfred88.z1.web.core.windows.net
Honda Generator Eu2000i Parts Diagram Honda Generator Eu2000I Parts Diagram Filter results by serial number, model name, or. Web find the parts you need for your honda eu2000i generator, such as muffler, pipe, gasket, arrester kit, and bolts. Choose from a variety of parts for eu2000i a, ac, an, k1 and more. Web download and read the official manual for your honda eu2000i generator. Shop oem replacement parts by symptoms. Honda Generator Eu2000I Parts Diagram.
From www.partstree.com
Honda EU2000i T1 A4 (EACT) Honda Generator, Made in Thailand (SN Honda Generator Eu2000I Parts Diagram Web page 2 contents this manual covers service and repair procedures for the specifications honda eu2000i generators. Learn how to operate, maintain, and service your generator safely and effectively. Shop oem replacement parts by symptoms or model diagrams for your honda eu2000i generator, jpn, vin# eaaj. Filter results by serial number, model name, or. Web download and read the official. Honda Generator Eu2000I Parts Diagram.
From missastuces3eschematic.z4.web.core.windows.net
Honda Eu2000i Parts Diagram Honda Generator Eu2000I Parts Diagram Shop oem replacement parts by symptoms or model diagrams for your honda eu2000i generator, jpn, vin# eaaj. Web find oem diagrams and repair parts for honda eu2000i generators made in japan. Choose from a variety of parts for eu2000i a, ac, an, k1 and more. Browse by symptom, area, or part number and order online. Web find the parts you. Honda Generator Eu2000I Parts Diagram.
From www.partstree.com
Honda EU2000i AN (EAAJ) Honda Generator, Made in Japan (SN EAAJ Honda Generator Eu2000I Parts Diagram Choose from a variety of parts for eu2000i a, ac, an, k1 and more. Shop oem replacement parts by symptoms or model diagrams for your honda eu2000i generator, jpn, vin# eaaj. Web download and read the official manual for your honda eu2000i generator. Learn how to operate, maintain, and service your generator safely and effectively. Browse by symptom, area, or. Honda Generator Eu2000I Parts Diagram.
From www.boats.net
Honda Generators EU2000I A VIN EAAJ1000001 TO EAAJ 1036877 OEM Parts Honda Generator Eu2000I Parts Diagram Web page 2 contents this manual covers service and repair procedures for the specifications honda eu2000i generators. Web download and read the official manual for your honda eu2000i generator. Learn how to operate, maintain, and service your generator safely and effectively. Filter results by serial number, model name, or. Web find the parts you need for your honda eu2000i generator,. Honda Generator Eu2000I Parts Diagram.
From autoctrls.com
Understanding and Using the Honda EU2000i Generator Parts Diagram Honda Generator Eu2000I Parts Diagram Web page 2 contents this manual covers service and repair procedures for the specifications honda eu2000i generators. Web find genuine honda parts for your eu 2000i generator model online. Browse by symptom, area, or part number and order online. Choose from a variety of parts for eu2000i a, ac, an, k1 and more. Web find oem diagrams and repair parts. Honda Generator Eu2000I Parts Diagram.
From www.jackssmallengines.com
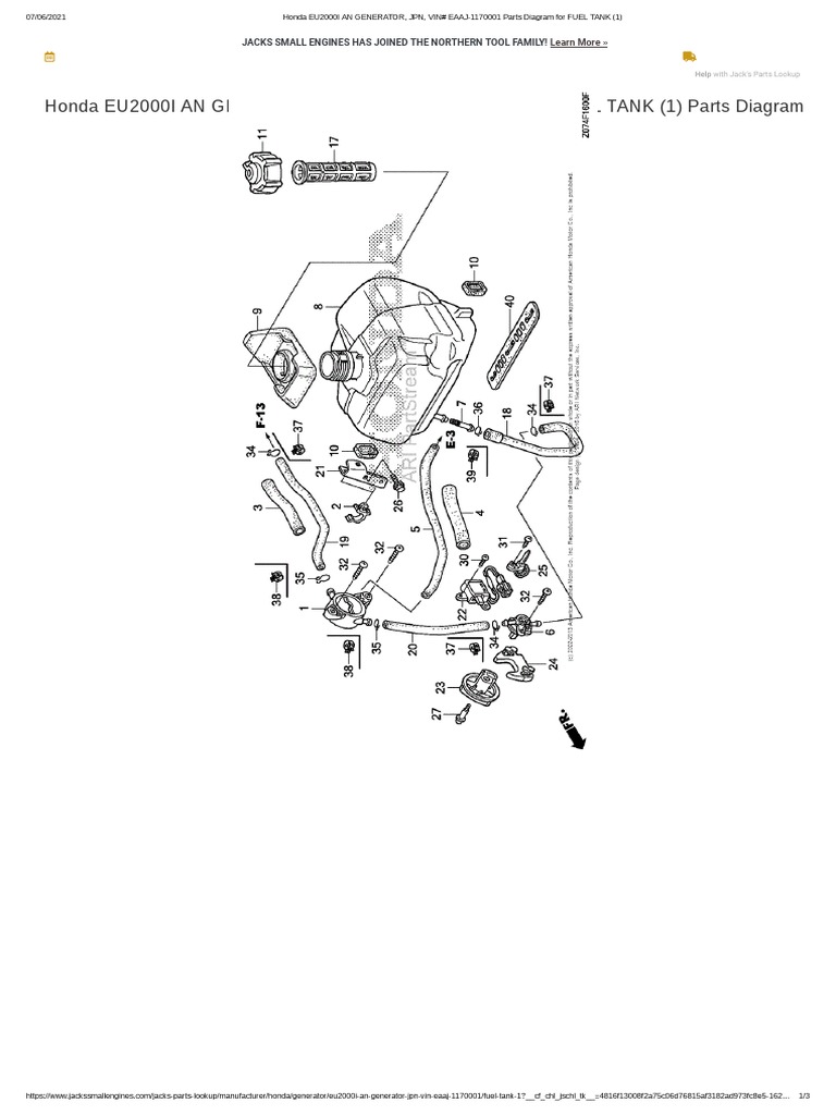
Honda EU2000I AN1 GENERATOR, JPN, VIN EAAJ1170001 Parts Diagram for Honda Generator Eu2000I Parts Diagram Web page 2 contents this manual covers service and repair procedures for the specifications honda eu2000i generators. Shop oem replacement parts by symptoms or model diagrams for your honda eu2000i generator, jpn, vin# eaaj. Web find the parts you need for your honda eu2000i generator, such as muffler, pipe, gasket, arrester kit, and bolts. Web find genuine honda parts for. Honda Generator Eu2000I Parts Diagram.
From www.jackssmallengines.com
Honda EU2000I AC2 GENERATOR, JPN, VIN EAAJ1170001 Parts Diagram for Honda Generator Eu2000I Parts Diagram Web find the parts you need for your honda eu2000i generator, such as muffler, pipe, gasket, arrester kit, and bolts. Choose from a variety of parts for eu2000i a, ac, an, k1 and more. Browse by symptom, area, or part number and order online. Web find genuine honda parts for your eu 2000i generator model online. Filter results by serial. Honda Generator Eu2000I Parts Diagram.
From repairmachinezoie101.z19.web.core.windows.net
Honda Eu2000i Generator Parts Diagram Honda Generator Eu2000I Parts Diagram Shop oem replacement parts by symptoms or model diagrams for your honda eu2000i generator, jpn, vin# eaaj. Learn how to operate, maintain, and service your generator safely and effectively. Web find genuine honda parts for your eu 2000i generator model online. Web find the parts you need for your honda eu2000i generator, such as muffler, pipe, gasket, arrester kit, and. Honda Generator Eu2000I Parts Diagram.
From userdataaccretions.z14.web.core.windows.net
Honda Eu2000i Generator Parts List Honda Generator Eu2000I Parts Diagram Learn how to operate, maintain, and service your generator safely and effectively. Filter results by serial number, model name, or. Web find oem diagrams and repair parts for honda eu2000i generators made in japan. Web find the parts you need for your honda eu2000i generator, such as muffler, pipe, gasket, arrester kit, and bolts. Web find genuine honda parts for. Honda Generator Eu2000I Parts Diagram.
From www.jackssmallengines.com
Honda EU2000I A/A GENERATOR, JPN, VIN EAAJ1036878 TO EAAJ 1169999 Honda Generator Eu2000I Parts Diagram Filter results by serial number, model name, or. Browse by symptom, area, or part number and order online. Shop oem replacement parts by symptoms or model diagrams for your honda eu2000i generator, jpn, vin# eaaj. Web find the parts you need for your honda eu2000i generator, such as muffler, pipe, gasket, arrester kit, and bolts. Learn how to operate, maintain,. Honda Generator Eu2000I Parts Diagram.
From www.jackssmallengines.com
Honda EU2000I AN GENERATOR, JPN, VIN EAAJ1544333 TO EAAJ2015224 Honda Generator Eu2000I Parts Diagram Shop oem replacement parts by symptoms or model diagrams for your honda eu2000i generator, jpn, vin# eaaj. Web find the parts you need for your honda eu2000i generator, such as muffler, pipe, gasket, arrester kit, and bolts. Browse by symptom, area, or part number and order online. Web page 2 contents this manual covers service and repair procedures for the. Honda Generator Eu2000I Parts Diagram.
From www.jackssmallengines.com
Honda EU2000I AC2 GENERATOR, JPN, VIN GCANM1300001 TO GCANM9999999 Honda Generator Eu2000I Parts Diagram Web download and read the official manual for your honda eu2000i generator. Web find the parts you need for your honda eu2000i generator, such as muffler, pipe, gasket, arrester kit, and bolts. Filter results by serial number, model name, or. Shop oem replacement parts by symptoms or model diagrams for your honda eu2000i generator, jpn, vin# eaaj. Browse by symptom,. Honda Generator Eu2000I Parts Diagram.
From www.jackssmallengines.com
Honda EU2000I AC GENERATOR, JPN, VIN GCANM1300001 TO GCANM9999999 Honda Generator Eu2000I Parts Diagram Shop oem replacement parts by symptoms or model diagrams for your honda eu2000i generator, jpn, vin# eaaj. Web find oem diagrams and repair parts for honda eu2000i generators made in japan. Filter results by serial number, model name, or. Web download and read the official manual for your honda eu2000i generator. Web find the parts you need for your honda. Honda Generator Eu2000I Parts Diagram.
From wiringall.com
Honda Eu2000i Carburetor Diagram Honda Generator Eu2000I Parts Diagram Web find genuine honda parts for your eu 2000i generator model online. Web page 2 contents this manual covers service and repair procedures for the specifications honda eu2000i generators. Web download and read the official manual for your honda eu2000i generator. Web find oem diagrams and repair parts for honda eu2000i generators made in japan. Browse by symptom, area, or. Honda Generator Eu2000I Parts Diagram.
From autoctrls.com
Understanding and Using the Honda EU2000i Generator Parts Diagram Honda Generator Eu2000I Parts Diagram Web find genuine honda parts for your eu 2000i generator model online. Filter results by serial number, model name, or. Shop oem replacement parts by symptoms or model diagrams for your honda eu2000i generator, jpn, vin# eaaj. Web page 2 contents this manual covers service and repair procedures for the specifications honda eu2000i generators. Web find the parts you need. Honda Generator Eu2000I Parts Diagram.
From datavisualexpert.com
Exploring the Inner Workings of the Honda EU2000i Generator A Parts Honda Generator Eu2000I Parts Diagram Learn how to operate, maintain, and service your generator safely and effectively. Web download and read the official manual for your honda eu2000i generator. Shop oem replacement parts by symptoms or model diagrams for your honda eu2000i generator, jpn, vin# eaaj. Web find genuine honda parts for your eu 2000i generator model online. Web find oem diagrams and repair parts. Honda Generator Eu2000I Parts Diagram.
From www.scribd.com
Honda EU2000I AN GENERATOR, JPN, VIN EAAJ1170001 Parts Diagram For Honda Generator Eu2000I Parts Diagram Filter results by serial number, model name, or. Choose from a variety of parts for eu2000i a, ac, an, k1 and more. Web find the parts you need for your honda eu2000i generator, such as muffler, pipe, gasket, arrester kit, and bolts. Learn how to operate, maintain, and service your generator safely and effectively. Web find oem diagrams and repair. Honda Generator Eu2000I Parts Diagram.